19/20
Paylaş
Resmi Orjinal Boyutunda Göster
Siemens Sosyal Tesisi
Proje Yeri: Kartal, İstanbul
Proje Ofisi: TeCe Mimarlık
Proje Tipi: Sosyal Tesis
Tasarım Ekibi: Cem İlhan, Tülin Hadi, Şefika Güner, Arcan Aksakaloğlu
İşveren: Siemens SRE
Ana Yüklenici: DİEM Mühendislik Mimarlık
Peyzaj Mimarlığı: TeCe Mimarlık
Aydınlatma Projesi: TeCe Mimarlık, Metin Sıcakyüz
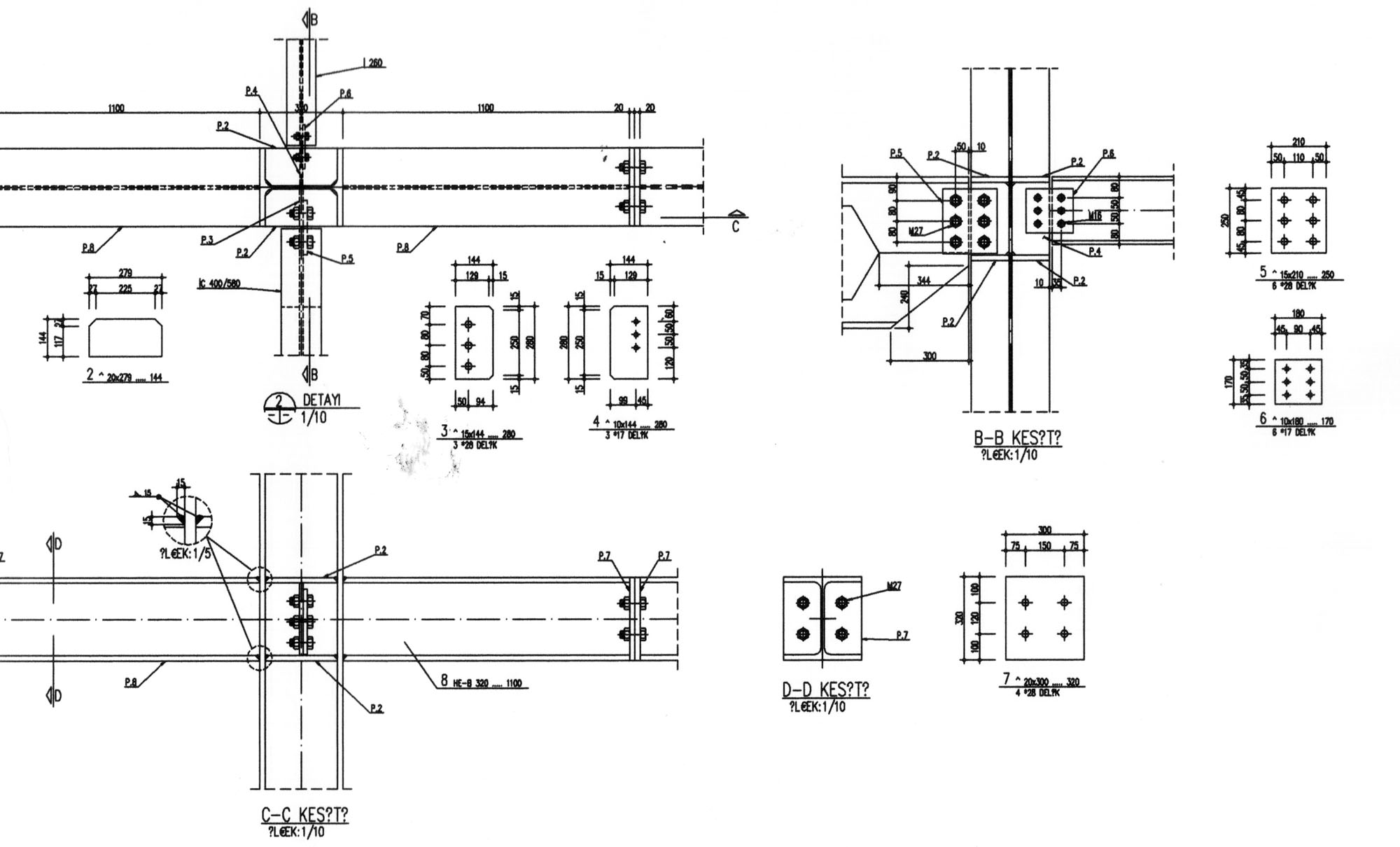
Statik Projesi: YBT Yapısal Tasarım Hizmetleri (YBTAS), Yusuf Tımbır
Mekanik Projesi: Siemens SRE
Elektrik Projesi: Metin Sıcakyüz
Proje Bitiş Yılı: 2005
İnşaat Bitiş Yılı: 2006
Toplam İnşaat Alanı: 1.100 m2